Electric Lighting Construction Sets - Outdoor Miniature Post-top Lighting-Units/Luminaires




Outdoor Miniature Post-top Lighting-units/Fixtures -



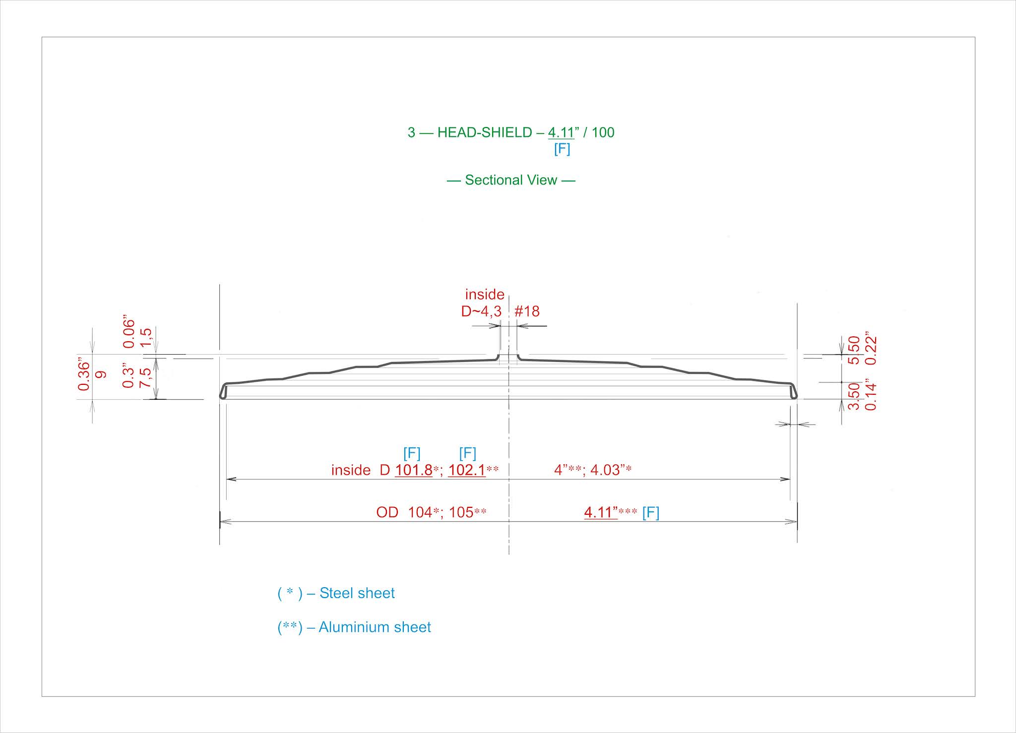
Assembly Sectional View

 

Range of sizes:


     >  195/192 mm

                                   7" - 184/180/178

     >  174/168 mm

                                      6" - 155/152/150

      >  136.1 mm

                                      5" - 130/127/125

      >  4.83 in - 125/122/120

                                       4" - 105/102/100

       >  3.4/3.5 in -  90/87/85



- Voltage: 12V; 24V DC (ripple-free).
- Only insulated lampholders required.






Outdoor Miniature Post-top Luminaire - 192/195mm


Assembly Side View














Outdoor Miniature Post-top Luminaire - 162/168mm



Assembly Side View











Outdoor Miniature Post-top Luminaire - 126.22/128mm



Assembly Side View












Outdoor Miniature Post-top Luminaire - 100mm










Outdoor Miniature Post-top Lighting Fixtures - 3.4/3.5in









1 comment:

  1. Here’s a list of interesting audio frequencies and binaural beats, including audio samples and descriptions
    https://www.oniricforge.com/frequency-list/

    ReplyDelete